Умный Дом Через Rs 485
Вы здесь: КаталогОборудование RS-485 Modbus RTU (RD)
Компания «Разумный дом» предлагает купить преобразователь интерфейса RS-485 Modbus, а также датчики освещённости, температуры, влажности, плату расширения, модуль управления0-10В, управление светодиодами RGB.
Преобразователь интерфейса RS 485 Modbus
Преобразователь интерфейса RS-485 Modbus выполняет функцию гальванической изоляции и преобразования интерфейсов устройства и usb. Питание электричеством осуществляется от usb-порта. Работает с операционными системами WindowsXP, Vista, 7, Linux и MacOSX.
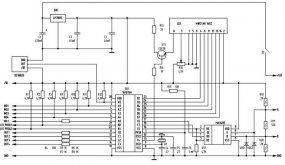
Одна из самых популярных плат расширения – релейный модуль DRB88 «Сенька», представляющий собой модуль в корпусе на DIN рейку с восемью универсальными входами и восемью релейными выходами до 16 А 230 В каждый. Данная плата представляет собой, по сути, может называться релейным модулем модбас, релейным блоком, реле для умного дома, плата входов-выходов. В настоящее время компанией «Разумный дом» готовится обновлённая версия этой платы, которая будет являть собой интернет-реле.
Купить датчик освещённости
Датчик освещённости представляет собой устройство, управляющее автоматическим образом источником искусственного света. Очевидно, что он улавливает уровень освещённости вокруг и в соответствии с этим включает или выключает свет. Проще говоря, датчик уровня освещённости – передатчик уровня освещённости на контроллер, подающий сигнал на плата расширения, срабатывающая при переходе установленных показаний освещения в месте функционирования.
Иногда таким местом может стать помещение дома или в квартире, в котором обычно темно. Поэтому датчик освещённости в таких комнатах неактуален. Его место успешно занимает датчик движения, срабатывающий при засечении движущегося предмета. Существует также и объединённый датчик движения и освещённости. Важно, чтобы датчик движения был с сухими контактами. Он подключается на вход платы расширения и таким образом заводится в систему.
Source: www.razumdom.ru






